Dalle mixte acier-béton
- Qu’est-ce qu’une dalle mixte acier-béton (plancher collaborant) ?
- Application
- Plus d'infos...
- Koudgevormde profielen
- Staalbetonliggers en -kolommen
Qu’est-ce qu’une dalle mixte acier-béton (plancher collaborant) ?
Qu’est-ce qu’une dalle mixte acier-béton (plancher collaborant) ?
La combinaison de deux matériaux complémentaires :
- béton : efficace sous les charges de pression ;
- acier : efficace sous les charges de traction.
Pourquoi les combiner ?
- Moins de risque de basculement ou de flambage ;
- meilleure résistance au feu de l’ensemble ;
- comportement ductile de l’ensemble grâce à l’acier ;
- le béton protège l’acier contre la corrosion.
Quels sont les avantages d’un plancher collaborant ?
- Éléments préfabriqués légers ;
- moins de transport ;
- volume de béton nécessaire moins élevé ;
- rapidité d’exécution accrue ;
- hauteur de plancher réduite, donc gain d’espace ;
- pas de coffrage ;
- conception flexible.
Principe d'une construction collaborante
L'exécution
Type de goujons
Dont les plus courantes et les plus efficaces :
Application des goujons
Application
Les applications sont légion : parking, immeubles de bureaux, immeubles à étages multiples, ...
Plus d'infos...
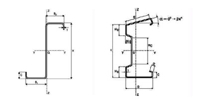
Koudgevormde profielen
Profielen vervaardigd uit vlakke staalplaat, ‘koud’-vervormd
Kenmerken van dit systeem
- Zeer licht en dun
- Andere geometrie dan warmgewalste profielen en doorgaans kleiner
- Thermisch verzinkt
- Niet lasbaar, enkel montage door bouten
- Staalframebouw
Enkele voorbeelden van geometrie
Voordelen van dit bouwsysteem:
- Zeer lichte constructie. De profielen kunnen door één enkele persoon gedragen worden
- Gemakkelijk te bewerken op de werf (knippen, doorboren, …)
- Snelle assemblage
- Droogbouw
- Verschillende afwerkingen mogelijk. Kan gelijken op klassieke massiefbouw
Nadelen van dit bouwsysteem:
- Op dit ogenblik nog duurder dan andere bouwsystemen door geringe prefabricatie (systeem wordt nog niet courant gebruikt)
Opbouwprincipe
Meer info...
Staalbetonliggers en -kolommen
Hier spreken we over een balk of een vloer die samengesteld is uit één of meerdere stalen liggers en uit beton. Het geheel is zeer rigide.
Dus : twee complementaire materialen worden samengevoegd. Elk heeft zijn eigen functie
- Beton: efficiënt onder druk
- Staal: efficiënt onder trek
Waarom combineren?
- Minder kans op kip of knik
- Brandweerstand
- Ductiel dankzij het staal
- Bescherming tegen corrosie
Uitvoering staal-betonkolommen:
Uitvoering staal-betonbalken:
Toepassingen
- Sea’rena, Oostende
- Gerechtsgebouw Gent